杰华特获得发明专利授权:“反激变换器的控制方法及控制电路”
61093
2025月11月09日
证券之星消息,根据天眼查APP数据显示杰华特(688141)新获得一项发明专利授权,专利名为“反激变换器的控制方法及控制电路”,专利申请号为CN202111171026.9,授权日为2025年11月7日。

图片来源于网络,如有侵权,请联系删除
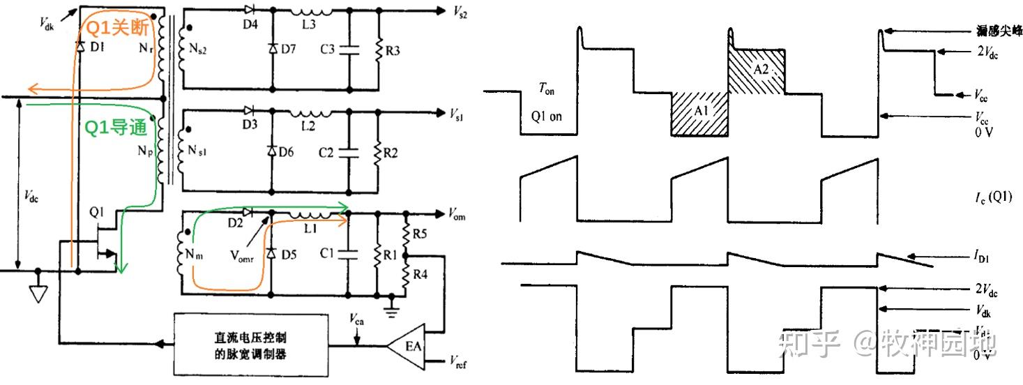
专利摘要:本发明提出一种反激变换器的控制方法及控制电路,所述反激变换器的原边电感与主功率管连接,接收表征反激变换器的输出功率的反馈信号,随着所述反馈信号的增大,反激变换器的开关频率从最大工作频率进入到降频工作区间,根据反激变换器的输出电压设置降频工作区间的最小工作频率;在反激变换器工作在降频工作区间时,当所述主功率管的开关周期达到所述最小工作频率对应的开关周期时,所述主功率管导通以开始下一个开关周期。本发明在低压大电流应用场合,可以增大变换器带载能力。

图片来源于网络,如有侵权,请联系删除
今年以来杰华特新获得专利授权108个,较去年同期增加了4.85%。结合公司2025年中报财务数据,今年上半年公司在研发方面投入了4.21亿元,同比增31.31%。
通过天眼查大数据分析,杰华特微电子股份有限公司共对外投资了42家企业,参与招投标项目22次;财产线索方面有商标信息68条,专利信息1060条,著作权信息7条;此外企业还拥有行政许可7个。
数据来源:天眼查APP
以上内容为证券之星据公开信息整理,由AI算法生成(网信算备310104345710301240019号),不构成投资建议。