运达股份获得发明专利授权:“基于风储系统的频率主动支撑策略”

小微 小微
63360
2025月11月13日

证券之星消息,根据天眼查APP数据显示运达股份(300772)新获得一项发明专利授权,专利名为“基于风储系统的频率主动支撑策略”,专利申请号为CN202111129031.3,授权日为2025年11月11日。

运达股份获得发明专利授权:“基于风储系统的频率主动支撑策略”
图片来源于网络,如有侵权,请联系删除

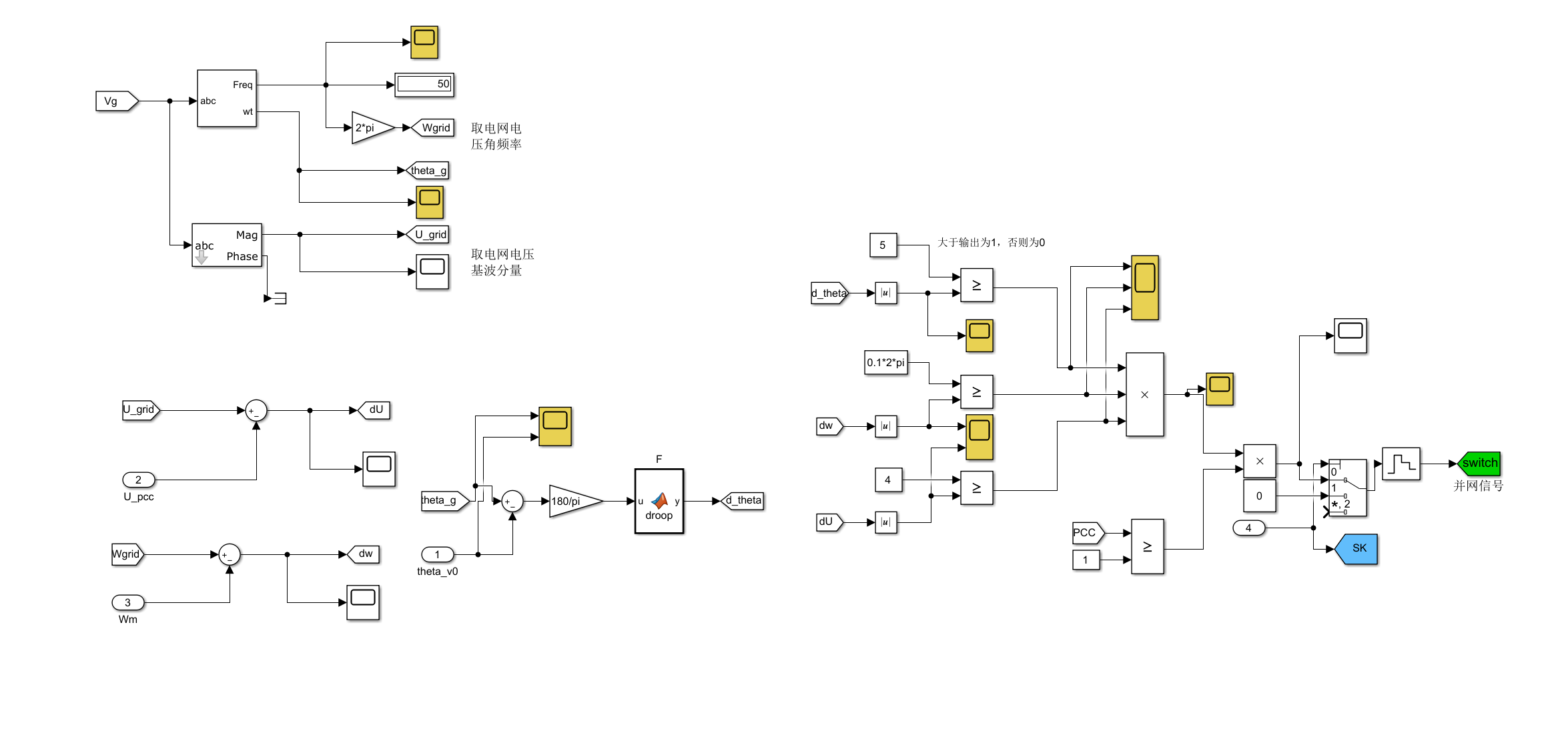
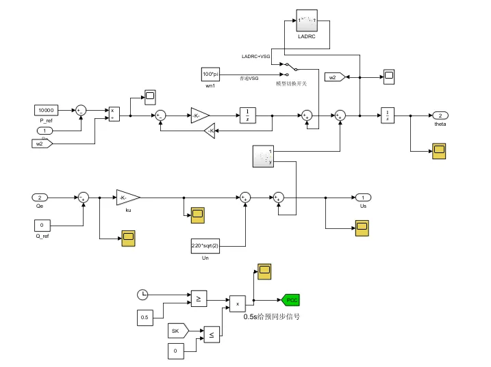
专利摘要:本发明公开了一种基于风储系统的频率主动支撑策略,其特征在于,包括如下步骤:S1、风速分区;S2、修正频率死区;S3、机组无功补偿;S4、确定协同控制策略;根据风机运行状态判断风机所处的风速区间,并对风储系统进行功率调整以实现频率支撑,在充分利用机组特性与储能系统性能的同时,避免因风机功率恢复而造成的系统频率二次跌落、桨距角机械部件频繁动作而造成的载荷疲劳及限功率调频对风电场并网运行造成的经济性损失。

运达股份获得发明专利授权:“基于风储系统的频率主动支撑策略”
图片来源于网络,如有侵权,请联系删除

今年以来运达股份新获得专利授权110个,较去年同期增加了22.22%。结合公司2025年中报财务数据,今年上半年公司在研发方面投入了2.65亿元,同比增15.5%。

运达股份获得发明专利授权:“基于风储系统的频率主动支撑策略”
图片来源于网络,如有侵权,请联系删除

通过天眼查大数据分析,运达能源科技集团股份有限公司共对外投资了243家企业,参与招投标项目5332次;财产线索方面有商标信息150条,专利信息1260条,著作权信息447条;此外企业还拥有行政许可204个。

数据来源:天眼查APP

以上内容为证券之星据公开信息整理,由AI算法生成(网信算备310104345710301240019号),不构成投资建议。

其他相关 RELEVANT MATERIAL
人保伴您前行,人保服务_劳务派遣行业市场发展现状及区域分布分析2024

人保伴您前行,人保服务_劳务派遣行业市场发展现状及区域分布分析2024

人保伴您前行,人保服务_劳务派遣行业市场发展现状及区域分布分析2024 2024年4月1日 来源:互联网 424 21 劳动派遣是指劳务派遣单位与被派遣劳动者建立劳动关系,并将劳动者派遣到用工单位,被派遣劳动者在用工单位的指挥、监督下从事劳动的新型用工形式。近年来,我国政府对于劳务派遣行业的监管和规范力度不断加强,出台了一系列相关政策,旨在促进劳务派遣市场的健康发展。图片来源于网络,如有侵权,请联系删除 近年来,我国政府对于劳务派遣行业的监管和规范力度不断加强,出台了一系列相关政策,旨在促进劳务派遣市场的健康发展。这些政策的实施对于劳务派遣企业提出了更高的要求,同时也为行业的规范发展提供了有力保障。图片来源于网络,如有侵权,请联系删除 劳动派遣是指劳务派遣单位与被派遣劳动者建立劳动关系,并将劳动者派遣到用工单位,被派遣劳动者在用工单位的指挥、监督下从事劳动的新型用工形式。英文是LaborDispatching,又称人力派遣、人才租赁、劳动派遣、劳动力租赁、雇员租赁。劳动力给付的事实发生于派遣劳工与要派企业(实际用工单位)之间,要派企业向劳务派遣机构支付服务费,劳务派遣机构向劳动者支付劳动报酬。图片来源于网络,如有侵权,请联系删除 劳务派遣是指依法设立的劳务派遣机构和劳动者签订劳动合同后,依据与用工单位订立的劳务派遣协议,将劳动者派遣到用工单位工作。劳务派遣的出现使得雇佣关系中劳动力的所有者与使用者分离,由传统的劳动者与用人单位两方雇佣模式转变为派遣机制下的三方雇佣模式。 从市场需求的角度来看,劳务派遣服务正逐渐得到企业的认可和青睐。企业选择劳务派遣的原因多种多样,如降低成本、提高用工灵活性、减轻用工压力等。特别是对于一些季节性、临时性或项目性的用工需求,劳务派遣成为了一种非常有效的解决方案。 劳务派遣特别受到外资企业、优势企业和国有大企业的欢迎。例如深圳主要是外向型企业、股份制企业以及竞争激烈的电信、银行等行业对劳务派遣的需求大。一些著名的企业如深圳华为、赛格三星、赛格日立、希捷等,都使用过派遣员工。而采用劳务派遣型工作安排的行业主要是服务业、制造业和建筑业,如电信、银行、饭店、医院、邮政、家政、电力、铁路运输等服务性行业,以及建筑业和制造业的一些部门。 劳务派遣在东部地区发展较快、规模较大。已经开展劳务派遣的地区主要包括北京、天津、上海、广东、江苏、浙江、福建、广西、黑龙江、辽宁、吉林、江西、湖南山东等地,并且劳务派遣也在其他地区陆续不断地开展起来。 根据中研普华产业研究院发布的《》显示: 劳务派遣市场处于初级发展阶段,派遣企业对派遣员工的调配能力和专业化服务程度有限,很多派遣企业缺乏专业管理经验。尽管部分派遣企业提供员工招聘、培训、绩效管理、福利待遇、员工沟通、员工宿舍等专业服务,但是多数劳务派遣企业只是形式上的雇主,它们与派遣员工之间的关系比较松散,其角色仍然类似于劳动事务代理。其职责仅仅是签订劳动合同,以及按照用工企业提供的工资单、社会保险费清单来发放工资和缴纳社会保险费等,而招聘、技能培训和劳动关系管理的实体性工作仍然由用工单位承担。另外,行业分布广,滥用劳务派遣现象严重。劳务派遣用工几乎遍布各行各业,涉及的岗级、岗位门类齐全。为降低用工成本,不少用工单位能用劳务派遣工的,就尽量不用劳动合同工,导致有劳动用工的地方基本上就有劳务派遣工的泛滥局面。 劳务派遣行业市场的发展也面临着一些挑战和问题。例如,市场竞争的加剧使得企业需要不断提升服务质量,以吸引和留住客户。同时,随着劳动力市场的变化,劳务派遣企业也需要不断调整和优化自身的业务模式,以适应市场的需求。 随着时代的发展,“人力资源外包”迅速发展壮大,劳务派遣近些年在我国得到快速发展并受到许多地方政府的重视和支持,这说明劳务派遣有其深厚的劳动力市场基础,能在一定程度上满足劳动力供求双方的需要,尤其是在支持国有企业改革、促进灵活就业、组织农村剩余劳动力向城市和非农产业转移等方面,具有不可忽视的积极作用。 目前劳务派遣在国内应用领域越来越广泛,派遣规模也越来越大,有93%的大型企业(500人以上规模)不同程度地接受着劳务派遣服务。随着国家政策对劳务派遣的逐渐认可,未来越来越多的企业会选择劳务派遣用工。 随着全球经济的进一步融合和中国经济的稳步发展,劳务派遣行业作为灵活用工的重要形式,其市场规模将持续扩大。越来越多的企业为应对市场波动、提高用工效率,将选择劳务派遣作为主要的用工方式,特别是在制造业、服务业和IT行业等领域,劳务派遣的需求将会持续增长。在信息化、数字化浪潮的推动下,劳务派遣行业也将积极拥抱新技术,利用大数据、人工智能等技术手段提高服务效率...
五大上市险企一季度保费微增,保费转增,股市反弹!上市险企的“春天”来了

五大上市险企一季度保费微增,保费转增,股市反弹!上市险企的“春天”来了

A股五大上市险企交出一季度答卷。4月18日,北京商报记者梳理发现,中国人寿、中国人保、中国平安、中国太保和新华保险今年一季度合计保费收入为10664.23亿元,同比增长0.96%。整体而言,五家险企保费收入增速“三升两降”,分板块来看,今年一季度人身险保费收入有所承压,财险业务保费收入增长延续。图片来源于网络,如有侵权,请联系删除 一季度的结束,意味着上市险企“开门红”陆续收官,业内分析指出,整体而言,上市险企保费收入表现基本实现触底回升。那么,在保险业务端,回升是否将成为全年主旋律?图片来源于网络,如有侵权,请联系删除   共揽保费超万亿图片来源于网络,如有侵权,请联系删除 与今年前2个月保费负增长不同的是,A股五大上市险企一扫此前阴霾,一季度回归正增长。中国人寿、中国人保、中国平安、中国太保和新华保险一季度合计保费收入超过万亿元,为10664.23亿元,同比微增0.96%。 具体而言,五家险企一季度保费收入呈现“三升两降”的格局,中国人寿、中国平安、中国人保实现正增长。 按保费规模来看,中国人寿一季度处于领先身位,该公司实现保费收入3376亿元,同比增长3.2%;中国平安紧随其后,实现保费收入2644.22亿元,同比增长1.6%。 今年一季度,寿险板块增长承压,五家险企中,仅中国人寿、平安人寿较去年同期实现正增长。其中,平安人寿实现原保费收入1733.02亿元,同比增长0.9%。 不同于人身险业务保费收入有升有降,财险继续保持全面增长态势。今年一季度,太保产险、平安产险、人保财险合计实现保费收入3155.44亿元,同比增长4.4%。其中,太保产险保费收入超过整体水平,该公司保费收入624.91亿元,同比增长8.6%。 根据中国人保和中国平安披露的车险保费数据,今年一季度,人保财险和平安产险的主力险种车险保费均实现增长,保费收入分别为692.40亿元、517.98亿元,同比增幅分别为1.92%、3.54%。 国信证券分析指出,整体来看,“老三家”财险业务延续历年来的增长态势,今年3月财险保费收入较2018年同期提升57.3%。2024年一季度,在过节效应及消费提升背景影响之下,财险业务保费收入企稳。   全年保持稳定 市场回暖向好的信号也体现在了A股和港股市场。4月18日,保险股全线走强,截至收盘,新华保险、中国人寿、中国太保涨超3%,其中新华保险涨幅达4.35%。港股方面,截至收盘,中国太保大涨超5%,新华保险、中国平安均涨超3%。 近日保险股齐涨的背后,业内人士分析,保险股将维持良好发展势头,为投资者带来更多的投资机会。一方面,保险股大反弹离不开政策方面的利好;另一方面,上市险企一季度保费重回正增长轨道亦有所助力。 展望后市,五大上市险企业务端的表现能否继续维持,成为备受关注的话题。 寿险业务方面,去年由于受到预定利率下调等因素影响,东北证券据此分析指出,二季度寿险业务需求集中爆发带动去年二季度寿险业务保费收入基数较高,预计今年二季度寿险业务保费收入或将承压。但由于“报行合一”落地逐渐加深,或将一定程度抵消基数较大带来的影响。 国泰君安非银金融团队分析预计,今年一季度,人身险个险队伍小幅下滑,而客户旺盛的储蓄需求叠加渠道高质量转型下人均产能持续提升,预计推动新单较快增长,同时部分险企增加长缴别产品销售,预计推动个险价值率改善。银保方面,“报行合一”下,预计银保渠道新单短期承压,而费用率显著改善有利于推动价值率显著提升。 需要关注的是,监管部门近期对人身险公司的万能险结算利率及分红险分红水平提出了更具有可持续性的要求。在中国矿业大学(北京)管理学院硕士生企业导师支培元看来,这些政策调整旨在引导保险公司优化资产负债结构,降低运营风险,同时鼓励险企通过创新产品和服务提升市场竞争力。 财产险业务方面,近期部分车企与地方均有相应以旧换新补贴落地。另外,根据乘联会发布的数据,3月乘用车市场零售同比增长6%,环比大涨52.8%。东北证券分析指出,汽车销量或将得到提升,有望带动财产险业务保费收入持续增长。 “展望全年,预计保险行业将在经济复苏等因素推动下保持稳定增长。然而,市场竞争的加剧、监管政策的调整以及科技创新带来的挑战,都要求险企必须不断调整业务策略,强化风险管理,以实现可持续发展。”支培元表示。 【作者:胡永新】  (编辑:王欣宇) 关键字:...
人保财险政银保 ,人保服务_民航客运行业展望 2024年新航季国内外客运航班量继续保持增长

人保财险政银保 ,人保服务_民航客运行业展望 2024年新航季国内外客运航班量继续保持增长

民航客运行业展望 2024年新航季国内外客运航班量继续保持增长 2024年4月1日 来源:央视网 百度 531 29 从3月31日起到10月26日,我国民航将执行2024年夏秋航季航班计划,新航季共有188家国内外航空公司计划每周安排客货运航班12.2万班。图片来源于网络,如有侵权,请联系删除 2024年新航季国内外客运航班量继续保持增长图片来源于网络,如有侵权,请联系删除 从3月31日起到10月26日,我国民航将执行2024年夏秋航季航班计划,新航季共有188家国内外航空公司计划每周安排客货运航班12.2万班。图片来源于网络,如有侵权,请联系删除 今年夏秋航季,共有51家国内航空公司计划每周安排国内(不含港澳台地区)航班101536班,同比2023年夏秋航季增长2.5%。其中,客运航班每周98655班,同比2023年夏秋航季增长2.17%。 今年夏秋航季,中国民航局已批复164家国内外航空公司的每周17257班客货运航班计划申请,共通航70个境外国家。其中,客运航班每周12656班,涉及66个境外国家。同时还批复37家航空公司的每周3385班港澳台地区航线客货运航班计划申请。 民航局运输司相关负责人介绍,此次夏秋航季国际航线客运航班量将继续保持增长,周边国家客运市场显著恢复,至越南、日本、老挝、俄罗斯的客运航班有较大增幅;随着免签政策利好影响逐步显现,匈牙利、奥地利、西班牙、马来西亚、泰国、新加坡的航班量明显增长,部分航线票价进一步回落。 据中研产业研究院分析: 我国民航行业是一个特定的从事飞行服务的行业,占据着重要的地位。近年来,随着经济发展,人们的旅行需求逐渐上升,国内航空市场不断发展,乘客量不断上升,经济社会发展提供了有力的市场支持。 从产业结构角度来看,民航客运行业主要由民航运输服务、航空机组服务、航空维修保养、空间经营等4个方面组成,服务包括商务旅行关系的航空运输,以及其他运输营收服务。 民航客运行业展望 2023年12月,空中客车公司在北京发布《全球航空服务市场预测》报告预计,伴随全球航空旅行复苏以及数字化、智能化等服务新需求的增长,全球航空服务市场价值将从2023年的1300亿美元增至2042年的2550亿美元,其中中国有望超过欧美,成为全球最大航空服务市场。 我们的报告包含大量的数据、深入分析、专业方法和价值洞察,可以帮助您更好地了解行业的趋势、风险和机遇。在未来的竞争中拥有正确的洞察力,就有可能在适当的时间和地点获得领先优势。 随着我国对外交往和对外开放的不断扩大,民航客运行业发展前景一片光明。 1月4日召开的2024年全国民航工作会议指出,2024年,我国国内客运将继续稳定增长,预计全年国内航线旅客运输量将达6.3亿人次,超过2019年7.7个百分点。国际客运市场将加快恢复,预计2024年底每周达6000班左右,恢复至疫情前约80%。2024年民航力争完成旅客运输量6.9亿人次。 据《“十四五”民用航空发展规划》,到2025年,民用运输机场数量将达270个以上,保障航班起降1700万架次,旅客运输量9.3亿人次;市地级行政中心60分钟到运输机场覆盖率达80%,枢纽机场轨道接入率达80%;通航国家和地区超过70个,其中共建“一带一路”国家超过50个。预计“十四五”期间,我国新建和改造的机场将往智慧化方向发展,占总投资金额的99%,在“十四五”期间,我国智慧机场投资规模将达到14947亿元。 报告对中国民航客运行业的内外部环境、行业发展现状、产业链发展状况、市场供需、竞争格局、标杆企业、发展趋势、机会风险、发展策略与投资建议等进行了分析,并重点分析了我国民航客运行业将面临的机遇与挑战。 想要了解更多民航客运行业详情分析,可以点击查看中研普华研究报告。我们的报告包含大量的数据、深入分析、专业方法和价值洞察,可以帮助您更好地了解行业的趋势、风险和机遇。在未来的竞争中拥有正确的洞察力,就有可能在适当的时间和地点获得领先优势。 关注公众号 免费获取更多报告节选 免费咨询行业专家 相关深度报告REPORTS 11239 2959 3759 4559 5379 6259 推荐阅读 2023年电子支付业务小幅增长中国人民银行发布的2023年支付体系运行总体情况显示:2023年,我国支付体系运行平稳,银行... ...
人保车险   品牌优势——快速了解燃油汽车车险,人保有温度_2024年茶产业现状分析及市场消费调研

人保车险 品牌优势——快速了解燃油汽车车险,人保有温度_2024年茶产业现状分析及市场消费调研

2024年茶产业现状分析及市场消费调研 2024年4月1日 来源:经济日报 中国经济网 中研普华报告 727 43 近年来,在茶产业市场呈现消费群体年轻化、消费需求多元化的趋势下,蕴含健康属性的传统茶与新的消费趋势不断融合,新式茶饮店如雨后春笋般遍布街头巷尾,茶旅融合日益火热为乡村振兴注入动能,茶产业正迎来新一轮的发展机遇。图片来源于网络,如有侵权,请联系删除 近年来,在茶产业市场呈现消费群体年轻化、消费需求多元化的趋势下,蕴含健康属性的传统茶与新的消费趋势不断融合,新式茶饮店如雨后春笋般遍布街头巷尾,茶旅融合日益火热为乡村振兴注入动能,茶产业正迎来新一轮的发展机遇。 茶叶源于中国,俗称茶,一般包括茶树的叶子和芽。茶叶成分丰富,包括儿茶素、胆甾烯酮、咖啡碱、肌醇、叶酸、泛酸等,这些成分对人体有多种健康益处,如醒脑提神、利水消肿、防暑降温、保护心血管、改善胃肠功能等。 茶叶是一种具有深厚电商渠道底蕴和广泛应用价值的植物,其在中国的历史、电商渠道、经济等多个领域都扮演着重要的角色。随着人们对健康生活方式的追求和对中华传统电商渠道的热爱,茶叶的地位和价值也将继续得到提升和发扬。 目前,中国茶行业已形成完整的产业链,从上游的茶叶种植到中游的茶叶加工生产,再到下游茶叶各种渠道销售,最后延伸至后市场。其中已小罐茶、艺福堂和大益茶为代表的中国传统茶叶企业,整合上下游资源,注重技术开发,提高茶叶种植生产质量,开拓全方位销售渠道,形成科研种植、技术生产到销售的额一体化全产业链模式。 雅安,是四川省唯一拥有两个茶叶类国家级和人类非物质文化遗产的市,是四川省三大茶叶优势产业带之一。 现如今,雅安市8个县(区)都产茶。其中名山、雨城、荥经被四川省农业农村厅列入全省30个优势茶叶产业发展县,初步形成名山区以蒙顶山茶为主、雨城区以雅安藏茶为主,荥经、天全、芦山、宝兴以高山生态茶为主的茶产业发展格局。 资料显示,2023年雅安市茶园总面积100.55万亩,其中投产面积84.98万亩。干毛茶产量11.92万吨,干毛茶收入80.72亿元,茶产业综合产值达到240亿元。 据中研产业研究院分析: 随着茶文化赋魂,茶科技赋能,四川雅安茶产业正在三茶统筹引领下,迎来新的发展机遇。2024年,雅安明确提出要力争确保干毛茶收入达到84亿元,茶产业综合产值实现250亿元的目标。 江西省靖安县全县茶叶种植面积6.083万亩,年产量416吨,可带动农户就业2万余人,实现人均年增收2000余元。 2023年,靖安县建成县茶叶加工中心,实现从茶园基地到销售市场、从茶青到茶叶的全链条品质管控。中心每年可加工白茶、红茶、香茶共15万公斤,销售额约3000万元。 据统计,贵州黔南州目前的茶叶从业人员达42.66万人,茶农年人均收入从2014年的0.74万元增加到2023年的1.75万元。茶产业已发展成为黔南州稳定性最高、带动能力最强、参与人数最多的农业产业。 截至目前,全州已打造省级茶叶主产县(市)8个、万亩茶园乡(镇)31个,投产茶园面积达120.75万亩,形成了以都匀、贵定为“主体”,瓮安、平塘、惠水为“两翼”的茶产业区域化、集聚化发展格局。 茶产业是横跨第一、二、三产业的特殊产业,长期以来,无论政府还是企业,始终是一种常规思路:茶叶种植第一、生产加工第二、以茶为主体的销售服务业排在了最后。尽管各地政府和企业也开始重视产品市场的推广,但还是仅限于向消费者推广一种产品,推广一种“热饮慢啜”的品饮方式,而这种几千年的品饮方式已经不能适应现代生活的需求,茶叶人均消费增长极其缓慢。 近年来,在茶产业市场呈现消费群体年轻化、消费需求多元化的趋势下,蕴含健康属性的传统茶与新的消费趋势不断融合,新式茶饮店如雨后春笋般遍布街头巷尾,茶旅融合日益火热为乡村振兴注入动能,茶产业正迎来新一轮的发展机遇。 在健康理念的推动下,中国茶不断推陈出新,从国内和国际两方面拓展产业空间。一方面,蕴含健康属性的新式茶饮消费不断涌现,产业正迎来新一轮发展机遇;另一方面,海外新茶饮及花草茶等新消费增长,健康消费逐渐成为新卖点,助推中国茶海外飘香。 近年来,中国茶产业主动融入与服务构建新经济格局,通过持续创新保持了稳定发展,在传统产品与业态持续发力的同时,新茶饮、新袋泡、花草茶、混搭风味茶等新赛道崛起,线上线下消费繁荣,茶叶总产量、总产值,内销量、内销额,出口量、出口额等多项经济指标实现历史性突破。 数据显示,2022年,中国茶叶出口量达37.53万吨,中国茶出口总体呈量稳额增态势,茶叶日渐成为沟通中外的重要桥梁和纽带。 报告对中国茶叶的发展状况、茶叶竞争、茶叶产业链上下游...
中国园林绿化工程施工投标步骤及投标策略解析_人保服务 ,保险有温度

中国园林绿化工程施工投标步骤及投标策略解析_人保服务 ,保险有温度

人保服务 ,保险有温度_中国园林绿化工程施工投标步骤及投标策略解析 2024年4月1日 来源:中研网 264 9 据中研产业研究院分析,园林工程的投标程序与其他建设工程的投标程序也基本相同,从过程上分为投标前期、投标书编制期、投标决策期三阶段。图片来源于网络,如有侵权,请联系删除 1、投标前期图片来源于网络,如有侵权,请联系删除 在投标前期阶段首先主要是要从各种信息渠道获得园林工程的招标信息。招标信息的准确获得是园林工程中标的首要条件。取得园林工程招标的信息方法有很多,其中包括电视、网络(中国园林工程信息网等)、建筑市场公告栏等。公开渠道获取园林工程招标信息是非常重要的。但是并非所有的项目多采用公开招标的形式,相当一部分项目是采取邀请招标的方式。所以,收集招标信息时应该有目的、有重点地进行,如有些有过业务往来的建设单位的工程信息应该有目的、有重点地进行,因为,这些项目的中标可能性比较大,中标后获利可能性也比较大。当第一时间获得了园林工程的招标信息后,应及时向业主提交一份能够全面、如实的说明本投标园林公司能力的、符合资格审查的文件。这样更有利于业主详细、全面的了解投标公司的投标诚意和资格。 一旦资格审查通过后,投标园林工程公司得到招标文件后,就应该立刻组织园林工程技术人员详细的研究招标文件。重点研究与投标密切相关的关键信息。如园林工程招标单位、工程范围、投标资质要求、施工工期和质量要求、招标答疑时间地点、投标保证金以及要求、投标有效期、标书送达地点、投标截止日期、开标会时间地点、评标办法、投标书无效的情况、主要技术标准、施工图纸、合同主要条款等,以免发生意外造成投标无效。在清单模式下,在保证工期、质量等招标文件中的条件后,招标人(业主)要求投标园林工程公司具有最低的报价。但是,对于投标园林工程公司而言,降低报价虽然有利于中标,但会降低预期利润,增大投资风险。因此,对于一个园林工程的中标,报低价是一个重要因素,但决不能考虑其为唯一因素,应该综合多方面的条件,综合分析出一个合理的价位。这样就可能中标,实现园林工程公司的企业利润最大化,风险投资最小化,工程质量期限得到有力的保证。 2、投标书编制期 园林工程招投标标书分为技术标编制和商务标编制。 技术标编制要按照招标文件的要求积极响应,如“标函”、“项目实施方案”、“技术措施”、“售后服务承诺”等都是投标书的重要部分,也是体现投标者是否具有竞争实力的具体表现。如果投标者对这些“重要部分”不重视,不进行认真、详尽、完美的表述,就会使投标者在技术标方面失分,以致最后落榜。 工程施工方案是其中的关键,直接影响到预算标价及投标的成败,投标单位要根据现场考察情况,初定几套方案进行测算、比较,以确定合理、经济的方案。施工组织设计主要包括:项目经理部人员机构组成、工程施工方案、工地平面布置、工期进度安排、劳力和设备调配、质量保证措施、安全生产措施、后勤供应措施等。 商务标编制的过程中,投标最终报价是园林工程公司投标单位以标书编制的预算价为基础,综合考虑各种因素后对预算标价进一步修订的报价,可以在标书中列报,也可以以降低函的形式另报。所以,一定要根据所做工程预算认真分析、反复比较,以使所确定的最终报价最大限度地接近报价,提高中标率。一般情况下,在总价基本确定后,技巧的运用关键是如何调整各个子目的报价,既可提高中标机率,又能在竣工后结算时得到良好的经济效益,巧妙地化险为夷,进一步加快其资金回笼。 1、积极搜集绿化工程项目信息,筛选招标项目工程建设单位 要把获得招标信息当作工作中的一项重要工作,常抓不懈,对所面临的市场要有一个清晰的底数:有哪些单位正在搞基础性建设,大约什么时候完工,有多大面积需要绿化,有多少个单位没有达到绿化的有关指标,绿化面积需要增加多少,是否已列入议事日程,有哪些单位的绿化亟待更新改造,这些单位的资金状况如何,信誉度怎样??为获得这些信息,工程建设施工企业就得组建一支专业的信息人员队伍,到建设单位、计划、规划、建设行政主管等部门,详细了解情况,建立必要的项目信息档案,做到心中有数,以备建设单位招标时快速准确地拿出方案。 2、科学编制绿化工程项目的施工组织计划 投标施工组织设计编制是否科学合理直接影响着能否中标。首先,投标企业应专门成立投标小组,细致阅读、分析招标文件,明确招标要求和注意事项及合同条款,勘探施工现场,为编制施工计划搜集第一手材料。第二,编制科学的施工方案。结合施工现场条件的具体情况,按照招标文件要求的工程质量等级和工期要求,根据施工场地条件、交通状况和工程规模大小,认真研究绿化施工图纸,结合自身的施工技术水平、管理能力等诸多因素,合理安排施...
2024年中国蔗糖行业的市场发展现状及发展趋势分析_保险有温度,人保护你周全

2024年中国蔗糖行业的市场发展现状及发展趋势分析_保险有温度,人保护你周全

2024年中国蔗糖行业的市场发展现状及发展趋势分析 2024年4月2日 来源:互联网 956 60 蔗糖是食糖的主要成分,由一分子葡萄糖的半缩醛羟基与一分子果糖的半缩醛羟基彼此缩合脱水而成,是一种双糖。蔗糖具有甜味,无气味,易溶于水和甘油,微溶于醇,具有旋光性但无变旋光作用。蔗糖几乎普遍存在于植物界的叶、花、茎、种子及果实中,在甘蔗、甜菜及槭树汁中图片来源于网络,如有侵权,请联系删除 蔗糖是食糖的主要成分,由一分子葡萄糖的半缩醛羟基与一分子果糖的半缩醛羟基彼此缩合脱水而成,是一种双糖。蔗糖具有甜味,无气味,易溶于水和甘油,微溶于醇,具有旋光性但无变旋光作用。蔗糖几乎普遍存在于植物界的叶、花、茎、种子及果实中,在甘蔗、甜菜及槭树汁中含量尤为丰富。蔗糖是重要的食品和甜味调味品,有白砂糖、赤砂糖、绵白糖、冰糖、粗糖(黄糖)等蔗糖制品。图片来源于网络,如有侵权,请联系删除 根据中研普华产业研究院发布的分析图片来源于网络,如有侵权,请联系删除 蔗糖不仅是食品工业中的重要原料,还在制药、化工和纺织等行业中有着广泛的应用。在食品工业中,蔗糖可以作为保鲜剂、增稠剂和发酵剂使用,提高食品的品质和口感。此外,蔗糖还是植物储藏、积累和运输糖分的主要形式,对植物生长和发育具有重要的作用。 蔗糖的生产过程包括提取、净化、浓缩和结晶等步骤。成熟的甘蔗被收割并切割成小块,经过榨汁机器提取出甘蔗汁液。然后,汁液经过过滤、加热、加入石灰石粉等处理,以去除杂质和微生物,并进行浓缩。最后,通过结晶过程,得到纯净的蔗糖晶体。 蔗糖行业产业链上下游结构 上游环节主要是甘蔗和甜菜等原材料的种植。这些农作物的生长和产量受到气候、土壤、种植技术等多种因素的影响。种植户或农场通过种植甘蔗和甜菜,并将其出售给中游的加工企业,从而参与到蔗糖产业链中。 中游环节是蔗糖的加工制造过程。加工企业从上游种植户手中购买甘蔗和甜菜,经过清洗、破碎、榨汁、熬煮、结晶等一系列工艺流程,生产出蔗糖产品。这个环节需要投入大量的资金、技术和设备,同时还需要遵守严格的食品安全和环保法规。 下游环节则是蔗糖产品的销售和应用。蔗糖产品广泛应用于食品、饮料、烘焙、医药等多个行业。下游企业通过采购蔗糖产品,将其作为原料或添加剂用于生产各种产品,最终销售给消费者。这个环节的市场竞争较为激烈,企业需要不断提高产品质量和服务水平,以满足客户需求并赢得市场份额。 2022/23年制糖期,中国全国共生产食糖897万吨,累计销售食糖853万吨,产销率为95.1%。2023年春节后至制糖期尾声,食糖价格显著上涨,期现货价格一度双双上升至7000元/吨区间,同比涨幅近30%。 糖料种植面积为1926万亩,同比增加1.6%。受开榨前期不利天气影响,食糖产量同比下降6.2%。国产糖制糖企业盈利状况明显改善。累计进口食糖388万吨,同比减少27.2%。进口糖浆及预混粉159万吨,同比增加40.8%。 制糖行业正朝着更高质量、更高效率、更优胜的方向前进。全球各地政策鼓励减少糖分摄入,推动了代糖甜味剂产品的发展。 2022年,中国甘蔗产量为10338.13万吨,略有下降。甘蔗糖产量占食糖总产量的87.96%。中粮糖业控股股份有限公司是国内甘蔗制糖和甜菜制糖领域的重点企业之一,年产糖70万吨。预计2023/24年制糖期,全国食糖产量将小幅增加,主要增产部分来自甘蔗糖。 这些数据显示,中国蔗糖行业在面对全球市场变化和政策调整的情况下,正在努力适应新的市场需求和挑战。同时,行业的技术创新和质量提升也为其未来的发展奠定了基础。 蔗糖行业的发展趋势分析 在蔗糖行业中,新技术的引入和新设备的采用将提高生产效率和产品质量。例如,利用现代生物技术改良甘蔗品种,可以提高甘蔗的产量和糖分含量;采用先进的生产工艺和设备,可以降低生产成本,提高产品竞争力。 环保法规的日益严格将对蔗糖行业的生产方式和环保措施提出更高的要求。蔗糖行业需要不断改进生产工艺,减少废弃物排放,提高资源利用效率,实现绿色可持续发展。 品牌建设和市场拓展将成为竞争焦点。随着市场竞争的加剧,蔗糖企业需要加强品牌建设,提升产品知名度和美誉度,同时积极开拓新市场,扩大市场份额。 数字化和智能化将引领行业变革。利用大数据、物联网、人工智能等现代信息技术,蔗糖行业可以实现生产过程的智能化监控和管理,提高生产效率和产品质量,同时也可以实现供应链的数字化管理,优化资源配置,降低成本。 了解更多本行业研究分析详见中研普华产业研究院。同时, 中研普华产业研究院还提供产业大数据、产业研究报告、产业规划、园区规划、产业招商、产业图谱、智慧招商系统、IPO募投可研、I...