长川科技获得实用新型专利授权:“预冷装置及测试设备”
59854
2025月04月12日
证券之星消息,根据天眼查APP数据显示长川科技(300604)新获得一项实用新型专利授权,专利名为“预冷装置及测试设备”,专利申请号为CN202421368077.X,授权日为2025年4月11日。

图片来源于网络,如有侵权,请联系删除
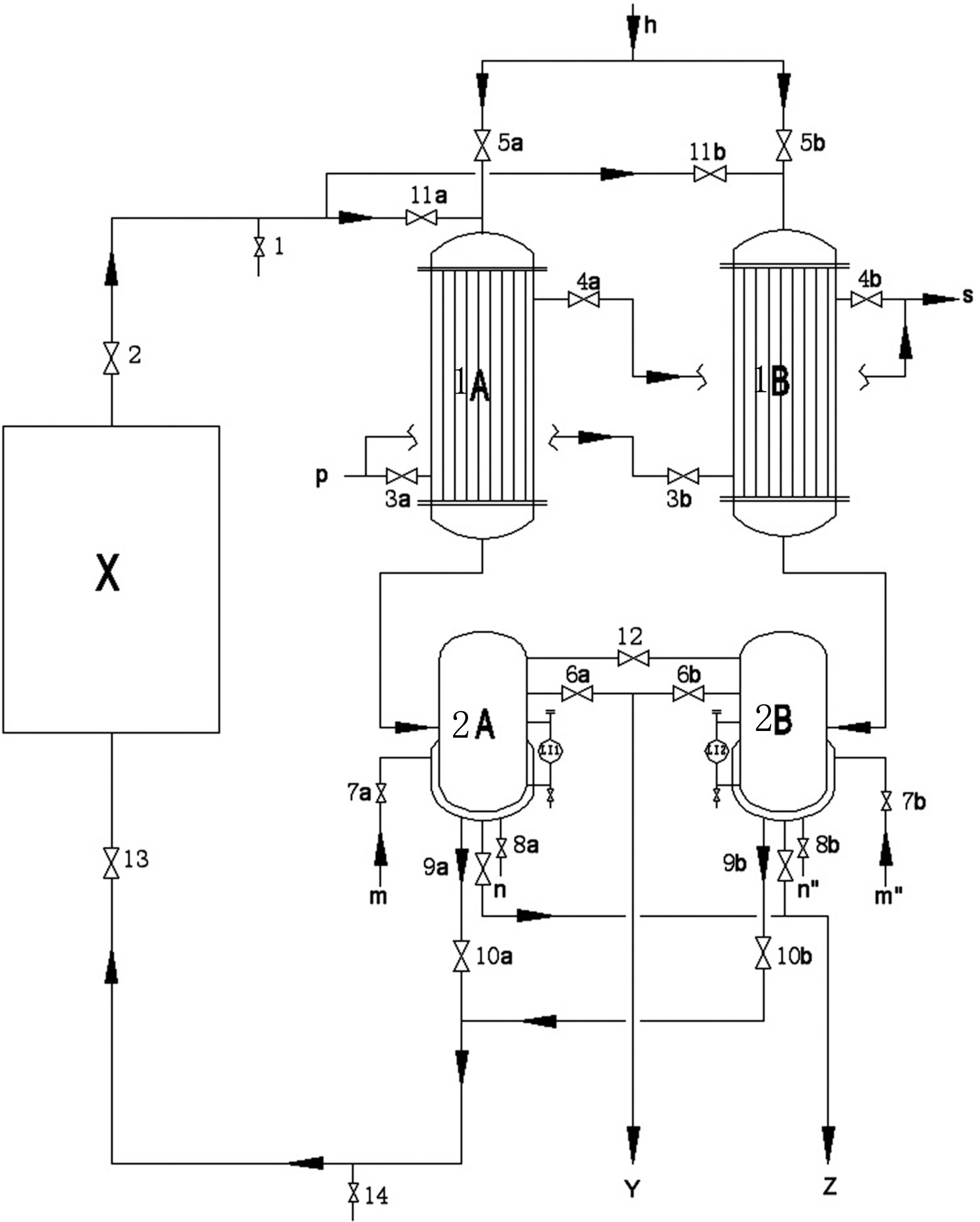
专利摘要:本申请涉及一种预冷装置及测试设备,包括预冷盘、开合门和第一送气组件。预冷盘具有预冷腔和取放料口,预冷腔通过取放料口连通外部。开合门可活动地设置于预冷盘,并与取放料口相适配,用于启闭取放料口。第一送气组件设置于预冷盘并形成有送气流路,用于沿送气流路吹送气体至开合门背离预冷腔的一侧,以在开合门处形成用于阻碍外部气体经取放料口进入预冷腔的气膜。本申请的技术方案,在气膜的阻隔下,预冷盘外部气体不容易经过取放料口进入预冷腔内,有利于维持预冷腔的露点稳定性,也可降低外部气体流经开合门而在其表面结霜的概率,降低开合门因结霜而无法正常工作的风险。

图片来源于网络,如有侵权,请联系删除
今年以来长川科技新获得专利授权57个,较去年同期减少了24%。结合公司2024年中报财务数据,2024上半年公司在研发方面投入了4亿元,同比增16.71%。

图片来源于网络,如有侵权,请联系删除
数据来源:天眼查APP
以上内容为证券之星据公开信息整理,由智能算法生成(网信算备310104345710301240019号),不构成投资建议。