金明精机获得实用新型专利授权:“塑料膜卷全自动卸卷装置”
证券之星消息,根据天眼查APP数据显示金明精机(300281)新获得一项实用新型专利授权,专利名为“塑料膜卷全自动卸卷装置”,专利申请号为CN202422583981.9,授权日为2025年8月15日。

图片来源于网络,如有侵权,请联系删除
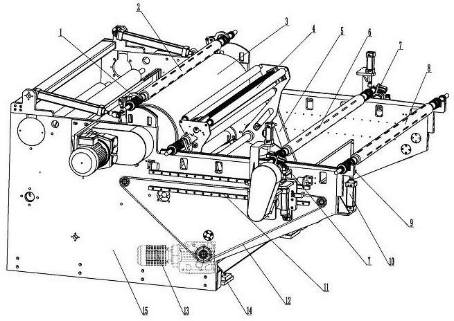
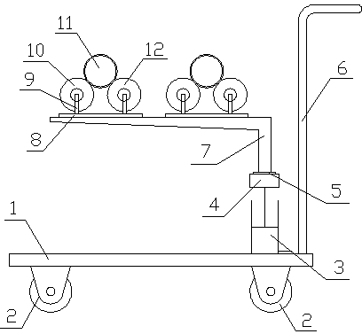
专利摘要:一种塑料膜卷全自动卸卷装置,包括用于安放收卷轴的左右两条纵向导轨;在每条纵向导轨前端旁边安装有一根卸卷摆臂,卸卷摆臂的摆轴延伸方向为横向,卸卷摆臂的上端形成有弧形凹口,卸卷摆臂由油缸驱动,卸卷摆臂的横向位置与纵向导轨错开;卸卷摆臂的横向外侧还固定设有筒座,筒座随同卸卷摆臂摆动,筒座的筒腔中设有弹簧,筒座上部安装有刹块,刹块的顶部露出在筒座外面,刹块的顶面为与收卷轴圆周表面吻合匹配的圆弧形,弹簧对刹块施加向上弹力。本实用新型能避免塑料膜卷在接触卸卷小车时仍然处于旋转状态。

图片来源于网络,如有侵权,请联系删除
今年以来金明精机新获得专利授权17个,较去年同期增加了41.67%。结合公司2025年中报财务数据,今年上半年公司在研发方面投入了1164.08万元,同比增12.89%。

图片来源于网络,如有侵权,请联系删除
通过天眼查大数据分析,广东金明精机股份有限公司共对外投资了8家企业,参与招投标项目18次;财产线索方面有商标信息18条,专利信息436条,著作权信息11条;此外企业还拥有行政许可31个。
数据来源:天眼查APP
以上内容为证券之星据公开信息整理,由AI算法生成(网信算备310104345710301240019号),不构成投资建议。